Our Technology Platforms

Electrospinning | Core Technology
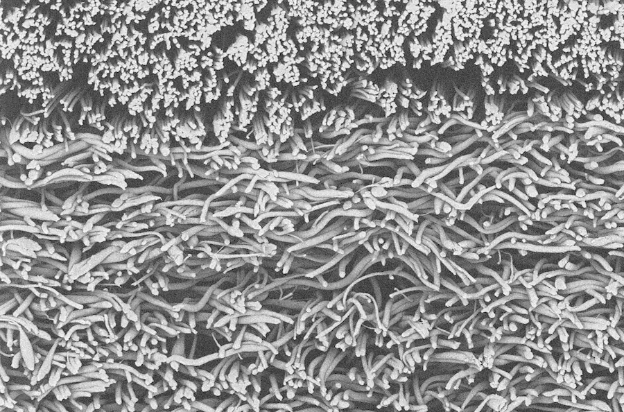
Elevating Medical Innovation with Electrospun Materials
As a trusted partner in electrospinning technology, we specialise in delivering cutting-edge biomaterials tailored to meet the unique needs of our clients. Designed to replicate the fibrous structure of the extracellular matrix, our electrospun materials create an optimal environment for
tissue integration, regeneration, and long-term device performance. By supporting seamless tissue repair and minimising adverse reactions such as scarring, our materials empower medical device manufacturers and researchers to advance healing and improve patient outcomes.
Transforming Design, Tailored For Your Needs
Electrospinning enables precise fine-tuning of materials to meet clinical requirements, ensuring optimal performance and superior patient outcomes. With micrometre-level engineering, this technology delivers unparalleled versatility.
Precision and versatility โ offering unmatched control over:
โข Porosity
โข Material thickness
โข Architecture and dimensions
โข Mechanical properties
โข Fibre orientation
โข Surface texture
โข Surface wettability
โข Raw materials (polymers, natural substances, and additives)
Benefits

Technology Explained
Electrospinning uses high-voltage electrical forces to transform a viscous liquid solution into ultra-fine fibres. A syringe pump feeds the solution through a small needle, while a high voltage (up to 30,000 volts) creates a charged jet. This jet accelerates toward a collector with an opposite charge, stretching and thinning as it travels through the air. The fibres dry during this journey and are deposited onto the collector, forming a non-woven mat.








